Книга: Милливольтметр B3-56
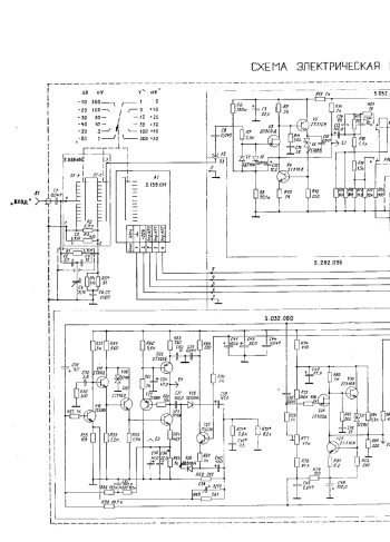
Техническое описание и инструкция по эксплуатации прибора милливольтметр В3-56 предназначены для изучения прибора, его характеристик и правил эксплуатации с целью правильного обращения с прибором при эксплуатации и ремонте. Милливольтметр В3-56 предназначен для измерения среднеквадратического значения напряжения переменного тока синусоидальной формы и для преобразования среднеквадратического значения напряжения переменного тока синусоидальной формы в пропорциональное постоянное напряжение. Шкалы прибора проградуированы в среднеквадратических значениях синусоидального напряжения и децибелах.
Информация о документе
- Формат документа
- PDF, DJVU
- Кол-во страниц
- 42 страницы
- Загрузил(а)
- Лицензия
- —
- Доступ
- Всем
Информация о книге
- Год публикации
- 1989
Статистика просмотров
Статистика просмотров книги за 2025 год.